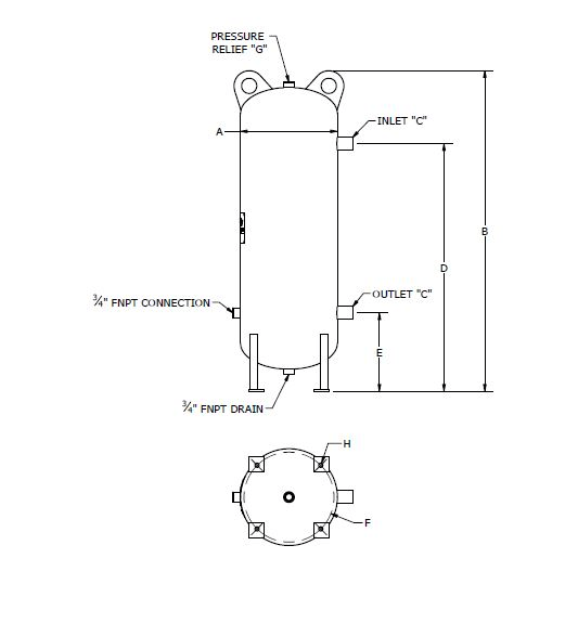
Liquid Receivers

TVR12-40 VERTICAL LIQUID RECEIVER